| وضعیت در دسترس بودن: | |
|---|---|
| مقدار: | |
DF-473c
HEE
دکمه DF-473C CAST FEEL 8 '
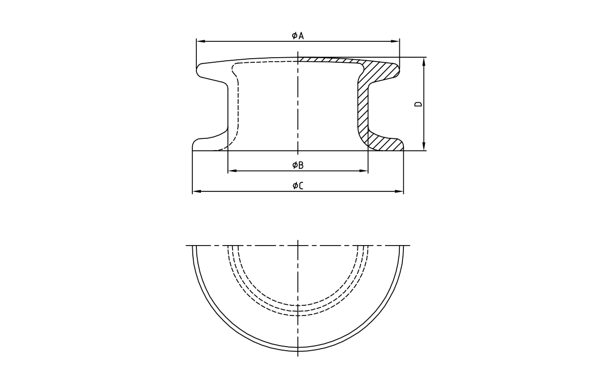
| مدل شماره. | φa | φb | φc | D | E | F | G | Wt. (پوند) |
| DF-473c | 13 ' | 8 5/8 ' | 12 1/2 ' | 5/8 ' | 3 3/4 ' | 5 3/4 ' | 3/4 ' | 75 |
DF -473C Cast Steel 8 Button Chock به عنوان یک مؤلفه مهم برای اتصال در عملیات دریایی قرار دارد و راهنمایی و خاتمه طناب ایمن را برای کشتی ها در هر اندازه فراهم می کند. با پیش بینی بازار تجهیزات مروارید در کنار حمل و نقل تجاری ، تجارت جهانی دریایی همچنان در حال گسترش است - این چوک قدرت و دوام استثنایی را برای عملیات بندری ارائه می دهد. مطابق با استانداردهای ISO 13713 ، DF-473C دارای پیکربندی 8 دکمه ای است که در حالی که اصطکاک و سایش را به حداقل می رساند ، تماس طناب را بهینه می کند. با یک بار کار ایمن (SWL) 981 کیلو نیوتن (100 تن) و وزن 280 کیلوگرم ، برای کاربردهای سنگین در حامل های فله ، کشتی های کانتینر و سیستم عامل های دریایی مهندسی می شود.
ساخته شده از فولاد ریخته گری درجه ASTM A27 ، این چوک برای اطمینان از عدم وجود نقایص داخلی که می تواند قدرت را به خطر بیاندازد ، آزمایش های غیر مخرب سختگیرانه ای انجام می دهد. ریخته گری یک قطعه جوش هایی را ایجاد می کند که نقاط خرابی بالقوه را ایجاد می کنند ، در حالی که سطح تحت درمان با گرما به حداقل سختی 180 BHN برای مقاومت در برابر سایش دست می یابد. تمام سطوح در تماس با خطوط اتصال به راحتی به پایان رسیده اند تا سایش طناب را کاهش دهند.
طرح 8 دکمه ای چندین نقطه تماس ایجاد می کند که بار را به طور مساوی در سطح طناب توزیع می کند و باعث کاهش استرس موضعی و افزایش عمر سرویس طناب می شود. سطوح دکمه خمیده دارای نسبت خم 12: 1 برای خطوط اتصال مصنوعی بهینه شده و از بین رفتن استحکام طناب در حین عملیات اتصال به حداقل می رسد. این هندسه ضمن حفظ تماس بهینه ، قطر طناب را از 60 میلی متر تا 90 میلی متر در خود جای داده است.
این چوک یک سیستم پوشش محافظ چند مرحله ای از جمله Sandblasting به استاندارد SA 2.5 ، آغازگر غنی از روی و روکش پلی اورتان درجه دریایی دریافت می کند. تمام سطوح در معرض پوشیده از این سیستم است که در هر آزمایش ASTM B117 ، 1500+ ساعت مقاومت در برابر اسپری نمک را فراهم می کند. سوراخ های زهکشی از تجمع آب در مناطق فرو رفته جلوگیری می کند و باعث افزایش بیشتر مقاومت در برابر خوردگی می شود.
ISO 13713 استانداردهای بین المللی را برای طراحی ، مواد ، آزمایش و عملکرد چوک های اتصال دهنده ، اطمینان از سازگاری و ایمنی در عملیات دریایی جهانی تعیین می کند. صدور گواهینامه تأیید می کند که DF-473C نیازهای سختگیرانه ای را برای استحکام ، دوام و سازگاری طناب برآورده می کند.
طراحی 8 دکمه نقاط تماس بیشتری نسبت به مدل های 4 دکمه ای فراهم می کند و بار را به طور مساوی در سطح طناب توزیع می کند تا سایش را کاهش دهد و عمر طناب را گسترش دهد. این پیکربندی در حالی که حفظ ترخیص طناب کافی برای کار با خطوط مصنوعی است ، کنترل طناب بهتری نسبت به طرح های تک دکمه بزرگتر ارائه می دهد.
DF-473C برای خطوط اتصال مصنوعی با قطر از 60 میلی متر تا 90 میلی متر (2.36 تا 3.54 اینچ) بهینه شده است. این محدوده متداول ترین اندازه های مورد استفاده در کشتی های کانتینر Panamax ، حامل های فله و کشتی های پشتیبانی دریایی را در بر می گیرد.
این چوک نیاز به نصب جوش داده شده به اعضای ساختاری کشتی (فله یا عرشه) با جوش های فیله مداوم است که جلسات AWS D1.1 را ملاقات می کند. تراز مناسب با وینچ های اتصال بسیار مهم است ، با این که خط مرکزی چوک در 5 درجه از جهت کشش طناب تراز شده است تا از بارگیری جانبی و سایش زودرس جلوگیری شود.
چوک باید ماهانه برای الگوهای سایش طناب ، خوردگی و اتصال دهنده های گشاد مورد بازرسی قرار گیرد. سطوح تماس طناب باید به طور مرتب تمیز شود تا بقایای آن که می تواند طناب ها را خراب کند ، از بین برود. برای حفظ محافظت در برابر خوردگی ، باید از رنگ لمسی برای هر منطقه آسیب دیده استفاده شود. آزمایش بار سالانه برای برنامه های کاربردی مهم توصیه می شود.
دکمه DF-473C CAST FEEL 8 '
| مدل شماره. | φa | φb | φc | D | E | F | G | Wt. (پوند) |
| DF-473c | 13 ' | 8 5/8 ' | 12 1/2 ' | 5/8 ' | 3 3/4 ' | 5 3/4 ' | 3/4 ' | 75 |
DF -473C Cast Steel 8 Button Chock به عنوان یک مؤلفه مهم برای اتصال در عملیات دریایی قرار دارد و راهنمایی و خاتمه طناب ایمن را برای کشتی ها در هر اندازه فراهم می کند. با پیش بینی بازار تجهیزات مروارید در کنار حمل و نقل تجاری ، تجارت جهانی دریایی همچنان در حال گسترش است - این چوک قدرت و دوام استثنایی را برای عملیات بندری ارائه می دهد. مطابق با استانداردهای ISO 13713 ، DF-473C دارای پیکربندی 8 دکمه ای است که در حالی که اصطکاک و سایش را به حداقل می رساند ، تماس طناب را بهینه می کند. با یک بار کار ایمن (SWL) 981 کیلو نیوتن (100 تن) و وزن 280 کیلوگرم ، برای کاربردهای سنگین در حامل های فله ، کشتی های کانتینر و سیستم عامل های دریایی مهندسی می شود.
ساخته شده از فولاد ریخته گری درجه ASTM A27 ، این چوک برای اطمینان از عدم وجود نقایص داخلی که می تواند قدرت را به خطر بیاندازد ، آزمایش های غیر مخرب سختگیرانه ای انجام می دهد. ریخته گری یک قطعه جوش هایی را ایجاد می کند که نقاط خرابی بالقوه را ایجاد می کنند ، در حالی که سطح تحت درمان با گرما به حداقل سختی 180 BHN برای مقاومت در برابر سایش دست می یابد. تمام سطوح در تماس با خطوط اتصال به راحتی به پایان رسیده اند تا سایش طناب را کاهش دهند.
طرح 8 دکمه ای چندین نقطه تماس ایجاد می کند که بار را به طور مساوی در سطح طناب توزیع می کند و باعث کاهش استرس موضعی و افزایش عمر سرویس طناب می شود. سطوح دکمه خمیده دارای نسبت خم 12: 1 برای خطوط اتصال مصنوعی بهینه شده و از بین رفتن استحکام طناب در حین عملیات اتصال به حداقل می رسد. این هندسه ضمن حفظ تماس بهینه ، قطر طناب را از 60 میلی متر تا 90 میلی متر در خود جای داده است.
این چوک یک سیستم پوشش محافظ چند مرحله ای از جمله Sandblasting به استاندارد SA 2.5 ، آغازگر غنی از روی و روکش پلی اورتان درجه دریایی دریافت می کند. تمام سطوح در معرض پوشیده از این سیستم است که در هر آزمایش ASTM B117 ، 1500+ ساعت مقاومت در برابر اسپری نمک را فراهم می کند. سوراخ های زهکشی از تجمع آب در مناطق فرو رفته جلوگیری می کند و باعث افزایش بیشتر مقاومت در برابر خوردگی می شود.
ISO 13713 استانداردهای بین المللی را برای طراحی ، مواد ، آزمایش و عملکرد چوک های اتصال دهنده ، اطمینان از سازگاری و ایمنی در عملیات دریایی جهانی تعیین می کند. صدور گواهینامه تأیید می کند که DF-473C نیازهای سختگیرانه ای را برای استحکام ، دوام و سازگاری طناب برآورده می کند.
طراحی 8 دکمه نقاط تماس بیشتری نسبت به مدل های 4 دکمه ای فراهم می کند و بار را به طور مساوی در سطح طناب توزیع می کند تا سایش را کاهش دهد و عمر طناب را گسترش دهد. این پیکربندی در حالی که حفظ ترخیص طناب کافی برای کار با خطوط مصنوعی است ، کنترل طناب بهتری نسبت به طرح های تک دکمه بزرگتر ارائه می دهد.
DF-473C برای خطوط اتصال مصنوعی با قطر از 60 میلی متر تا 90 میلی متر (2.36 تا 3.54 اینچ) بهینه شده است. این محدوده متداول ترین اندازه های مورد استفاده در کشتی های کانتینر Panamax ، حامل های فله و کشتی های پشتیبانی دریایی را در بر می گیرد.
این چوک نیاز به نصب جوش داده شده به اعضای ساختاری کشتی (فله یا عرشه) با جوش های فیله مداوم است که جلسات AWS D1.1 را ملاقات می کند. تراز مناسب با وینچ های اتصال بسیار مهم است ، با این که خط مرکزی چوک در 5 درجه از جهت کشش طناب تراز شده است تا از بارگیری جانبی و سایش زودرس جلوگیری شود.
چوک باید ماهانه برای الگوهای سایش طناب ، خوردگی و اتصال دهنده های گشاد مورد بازرسی قرار گیرد. سطوح تماس طناب باید به طور مرتب تمیز شود تا بقایای آن که می تواند طناب ها را خراب کند ، از بین برود. برای حفظ محافظت در برابر خوردگی ، باید از رنگ لمسی برای هر منطقه آسیب دیده استفاده شود. آزمایش بار سالانه برای برنامه های کاربردی مهم توصیه می شود.
در DF-274-5 2 سگ بزرگ شده یک عرشه دریایی ممتاز است که توسط Hee (شرکت مهندسی و تجهیزات Changshu Haichuan ، Ltd.) ، Ltd.) ، تولید کننده برجسته مستقر در چین که متخصص تجهیزات دریایی و دریایی است ، مهندسی شده است. این دریچه به منظور رفع نیاز بحرانی به مقاومت قابل اعتماد به آب در محیط های دریایی سخت ، به عنوان یک مانع محافظ برای دهانه های عرشه ، جلوگیری از ورود آب ، تجمع گرد و غبار و خوردگی که می تواند به اجزای داخلی کشتی ها ، سیستم عامل های دریایی یا زیرساخت های بندری آسیب برساند ، طراحی شده است.