| وضعیت در دسترس بودن: | |
|---|---|
| مقدار: | |
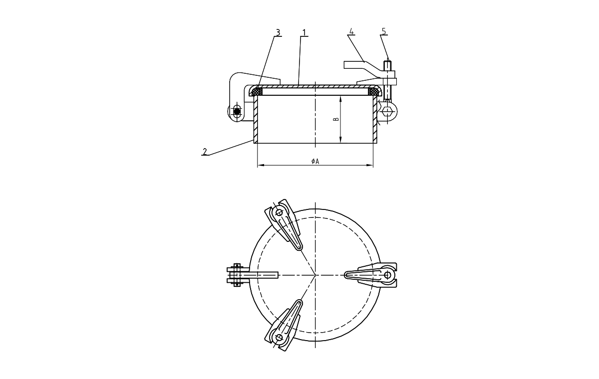
DF-456-5-SS
HEE
DF-456-5-SS 3 سگ بلند شده
مدل شماره. | φa | B | Wt. (پوند) |
| DF-456-5-SS | 12 ' | 5 ' | 55 |
| نه | نام و مشخصات | qty | مادی |
| 1 | پوشش | 1 | فولاد ضد زنگ |
| 2 | چاشنی | 1 | فولاد ضد زنگ |
| 3 | گودال | 1 | نئوپرن |
| 4 | دسته سگ | 3 | فولاد ضد زنگ |
| 5 | پیچ | 3 | برنز |
DF -456 SS 3-DOG افزایش یافته است که باعث ایجاد فولاد ضدزنگ پریمیوم به راه حل های دسترسی سبک وزن می شود ، ایده آل برای کاربردهایی که در آن مقاومت در برابر خوردگی و حداقل نگهداری اولویت ها هستند. از آنجا که صنعت دریایی به طور فزاینده ای اجزای استیل ضد زنگ را برای محیط های آب شور اتخاذ می کند ، این دریچه دوام استثنایی را در یک طراحی جمع و جور ارائه می دهد. با اندازه گیری DF-456 SS سیستم قفل کردن سه سگ آن عملکرد ساده ای را بدون به خطر انداختن عملکرد آب بندی در شرایط متوسط ارائه می دهد. 14 × 14 اینچ و وزن فقط 85 پوند ، دسترسی به سیستم های کمکی ، محفظه های الکتریکی و قفل های ذخیره سازی را در حالی که یکپارچگی ضد آب را حفظ می کند ، فراهم می کند.
این دریچه کاملاً از 316 فولاد ضد زنگ ، از جمله قاب ، پوشش ، سگ و اتصال دهنده ها ساخته شده است ، مقاومت فوق العاده ای در برابر گودال و خوردگی شکاف در محیط های آب شور ایجاد می کند. تمام مؤلفه ها برای تقویت مقاومت در برابر خوردگی تحت درمان با انفعال قرار می گیرند ، با یک پایان 2B که زیبایی شناسی را با دوام عملی متعادل می کند. این انتخاب مواد نگرانی های زنگ زدگی را از بین می برد و فواصل نگهداری را به طور قابل توجهی گسترش می دهد.
سه سگ استیل ضد زنگ با موقعیت استراتژیک در یک الگوی مثلثی ترتیب داده شده اند تا فشار آب بندی را به طور مؤثر در سراسر دهانه جمع و جور توزیع کنند. هر سگ دارای یک دستگیره تنظیم بزرگ با قفل مثبت است و باعث می شود تنظیم دقیق فشرده سازی برای جابجایی حرکات عرشه باشد. دسته مرکزی هر سه سگ را به طور همزمان عمل می کند و عملکرد را در مقایسه با طرح های پیچ جداگانه ساده می کند.
DF-456 SS قاب مطرح شده با مشخصات پایین (1.5 اینچ بالاتر از عرشه) در عین حال که دسترسی را حفظ می کند ، زهکشی کافی را فراهم می کند. دریچه می تواند در هر دو جهت افقی و عمودی و بدون عملکرد به خطر بیاندازد. با حداقل نیاز عمق نصب فقط 4 اینچ ، برای نصب در برنامه های نازک و باریک که فضای محدود است ، مناسب است.
316 فولاد ضد زنگ حاوی مولیبدن است ، که مقاومت فوق العاده ای در برابر خوردگی ناشی از کلرید در مقایسه با 304 فولاد ضد زنگ ایجاد می کند و آن را برای محیط های آب شور ایده آل می کند. این ماده تقریباً 50 ٪ مقاومت در برابر خوردگی بهتر در کاربردهای دریایی را ارائه می دهد ، که عمر خدمات را به طور قابل توجهی در شرایط سخت گسترش می دهد.
آرایش سگ مثلثی سه نقطه فشار اولیه ایجاد می کند که به طور مساوی در سطح آب بندی در دهانه های کوچکتر توزیع می کنند. این پیکربندی به ویژه برای دریچه های جمع و جور که در آن محیط کاهش یافته نیاز به نقاط فشرده سازی کمتری اما استراتژیک دارد ، مؤثر است.
DF-456 SS عملکرد ضد آب را در فشارهای هیدرواستاتیک تا 2.5 psi حفظ می کند ، مناسب برای کاربردهای عرشه و روبنا در کشتی هایی که در محیط های ساحلی و خارج از کشور تا SEA State 4 کار می کنند.
بله ، مکانیسم قفل سازی برای عملکرد قابل اعتماد در دماهای کم -25 درجه سانتیگراد (-13 درجه فارنهایت) طراحی شده است ، با تمام قطعات متحرک که از بوش های مقاوم در برابر خوردگی استفاده می کنند و از انجماد و تصرف در محیط های سرد جلوگیری می کنند.
کاملا ساخت و سازهای فولاد ضد زنگ و واشرهای سیلیکون تأیید شده توسط FDA (در صورت مشخص شدن) DF-456 SS را برای کشتی های حمل و نقل محصولات غذایی یا آب آشامیدنی ایده آل می کند ، جایی که بهداشت و مقاومت در برابر خوردگی بسیار مهم است. سطوح صاف ، تمیز کردن و ضد عفونی آسان را تسهیل می کند.
DF-456-5-SS 3 سگ بلند شده
مدل شماره. | φa | B | Wt. (پوند) |
| DF-456-5-SS | 12 ' | 5 ' | 55 |
| نه | نام و مشخصات | qty | مادی |
| 1 | پوشش | 1 | فولاد ضد زنگ |
| 2 | چاشنی | 1 | فولاد ضد زنگ |
| 3 | گودال | 1 | نئوپرن |
| 4 | دسته سگ | 3 | فولاد ضد زنگ |
| 5 | پیچ | 3 | برنز |
DF -456 SS 3-DOG افزایش یافته است که باعث ایجاد فولاد ضدزنگ پریمیوم به راه حل های دسترسی سبک وزن می شود ، ایده آل برای کاربردهایی که در آن مقاومت در برابر خوردگی و حداقل نگهداری اولویت ها هستند. از آنجا که صنعت دریایی به طور فزاینده ای اجزای استیل ضد زنگ را برای محیط های آب شور اتخاذ می کند ، این دریچه دوام استثنایی را در یک طراحی جمع و جور ارائه می دهد. با اندازه گیری DF-456 SS سیستم قفل کردن سه سگ آن عملکرد ساده ای را بدون به خطر انداختن عملکرد آب بندی در شرایط متوسط ارائه می دهد. 14 × 14 اینچ و وزن فقط 85 پوند ، دسترسی به سیستم های کمکی ، محفظه های الکتریکی و قفل های ذخیره سازی را در حالی که یکپارچگی ضد آب را حفظ می کند ، فراهم می کند.
این دریچه کاملاً از 316 فولاد ضد زنگ ، از جمله قاب ، پوشش ، سگ و اتصال دهنده ها ساخته شده است ، مقاومت فوق العاده ای در برابر گودال و خوردگی شکاف در محیط های آب شور ایجاد می کند. تمام مؤلفه ها برای تقویت مقاومت در برابر خوردگی تحت درمان با انفعال قرار می گیرند ، با یک پایان 2B که زیبایی شناسی را با دوام عملی متعادل می کند. این انتخاب مواد نگرانی های زنگ زدگی را از بین می برد و فواصل نگهداری را به طور قابل توجهی گسترش می دهد.
سه سگ استیل ضد زنگ با موقعیت استراتژیک در یک الگوی مثلثی ترتیب داده شده اند تا فشار آب بندی را به طور مؤثر در سراسر دهانه جمع و جور توزیع کنند. هر سگ دارای یک دستگیره تنظیم بزرگ با قفل مثبت است و باعث می شود تنظیم دقیق فشرده سازی برای جابجایی حرکات عرشه باشد. دسته مرکزی هر سه سگ را به طور همزمان عمل می کند و عملکرد را در مقایسه با طرح های پیچ جداگانه ساده می کند.
DF-456 SS قاب مطرح شده با مشخصات پایین (1.5 اینچ بالاتر از عرشه) در عین حال که دسترسی را حفظ می کند ، زهکشی کافی را فراهم می کند. دریچه می تواند در هر دو جهت افقی و عمودی و بدون عملکرد به خطر بیاندازد. با حداقل نیاز عمق نصب فقط 4 اینچ ، برای نصب در برنامه های نازک و باریک که فضای محدود است ، مناسب است.
316 فولاد ضد زنگ حاوی مولیبدن است ، که مقاومت فوق العاده ای در برابر خوردگی ناشی از کلرید در مقایسه با 304 فولاد ضد زنگ ایجاد می کند و آن را برای محیط های آب شور ایده آل می کند. این ماده تقریباً 50 ٪ مقاومت در برابر خوردگی بهتر در کاربردهای دریایی را ارائه می دهد ، که عمر خدمات را به طور قابل توجهی در شرایط سخت گسترش می دهد.
آرایش سگ مثلثی سه نقطه فشار اولیه ایجاد می کند که به طور مساوی در سطح آب بندی در دهانه های کوچکتر توزیع می کنند. این پیکربندی به ویژه برای دریچه های جمع و جور که در آن محیط کاهش یافته نیاز به نقاط فشرده سازی کمتری اما استراتژیک دارد ، مؤثر است.
DF-456 SS عملکرد ضد آب را در فشارهای هیدرواستاتیک تا 2.5 psi حفظ می کند ، مناسب برای کاربردهای عرشه و روبنا در کشتی هایی که در محیط های ساحلی و خارج از کشور تا SEA State 4 کار می کنند.
بله ، مکانیسم قفل سازی برای عملکرد قابل اعتماد در دماهای کم -25 درجه سانتیگراد (-13 درجه فارنهایت) طراحی شده است ، با تمام قطعات متحرک که از بوش های مقاوم در برابر خوردگی استفاده می کنند و از انجماد و تصرف در محیط های سرد جلوگیری می کنند.
کاملا ساخت و سازهای فولاد ضد زنگ و واشرهای سیلیکون تأیید شده توسط FDA (در صورت مشخص شدن) DF-456 SS را برای کشتی های حمل و نقل محصولات غذایی یا آب آشامیدنی ایده آل می کند ، جایی که بهداشت و مقاومت در برابر خوردگی بسیار مهم است. سطوح صاف ، تمیز کردن و ضد عفونی آسان را تسهیل می کند.
در DF-274-5 2 سگ بزرگ شده یک عرشه دریایی ممتاز است که توسط Hee (شرکت مهندسی و تجهیزات Changshu Haichuan ، Ltd.) ، Ltd.) ، تولید کننده برجسته مستقر در چین که متخصص تجهیزات دریایی و دریایی است ، مهندسی شده است. این دریچه به منظور رفع نیاز بحرانی به مقاومت قابل اعتماد به آب در محیط های دریایی سخت ، به عنوان یک مانع محافظ برای دهانه های عرشه ، جلوگیری از ورود آب ، تجمع گرد و غبار و خوردگی که می تواند به اجزای داخلی کشتی ها ، سیستم عامل های دریایی یا زیرساخت های بندری آسیب برساند ، طراحی شده است.