| وضعیت در دسترس بودن: | |
|---|---|
| مقدار: | |
DF-40A
HEE
بازیگران استیل دوتایی
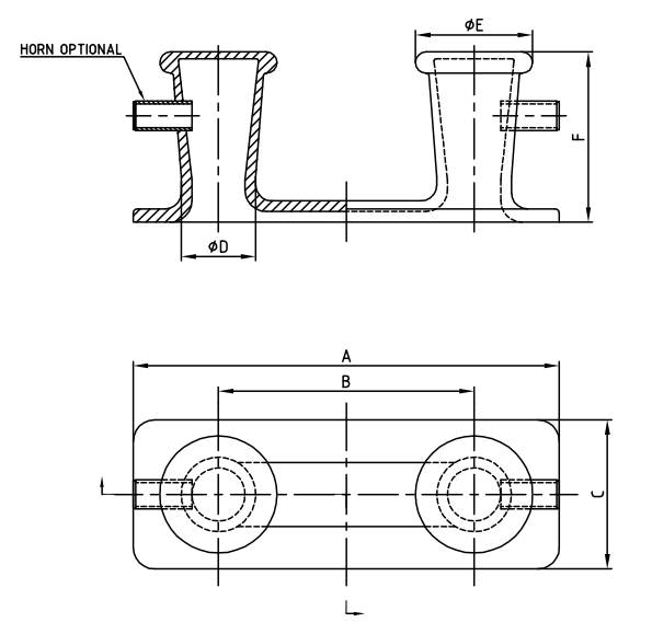
موئول نه | A | B | C | یه | فداکاری | F | Wt. (پوند) | شاخ |
| DF-2 | 40 ' | 27 ' | 14 ' | 7 ' | 11 ' | 16 ' | 375 | √ |
| DF-2A | 40 ' | 27 ' | 14 ' | 7 ' | 11 ' | 16 ' | 385 | X |
| DF-40 | 45 ' | 24 ' | 15 ' | 9 ' | 13 1/2 ' | 18 ' | 545 | √ |
| DF-40A | 45 ' | 24 ' | 15 ' | 9 ' | 13 1/2 ' | 18 ' | 560 | X |
بازیگران دوتایی مجهز به فولاد بازیگران به عنوان ستون فقرات سیستم های اتصال دهنده کشتی هستند و نقاط لنگر قوی را برای تأمین چندین خط اتصال در حین کار ، لنگر زدن و کار در خارج از کشور فراهم می کنند. از آنجا که کشتی های مدرن نیاز به افزایش ظرفیت اتصال برای کنترل بارهای بیشتر محموله ها و نیروهای محیطی قوی تر دارند ، این دوتایی های دوتایی با قابلیت های مدیریت خط انعطاف پذیر ، قدرت استثنایی را ارائه می دهند. ساخته شده از فولاد بازیگران درجه یک ASTM A27 در یک طراحی یک تکه ، آنها دارای پست های قطر 14 اینچی دوگانه ایستاده 42 اینچ قد ، فاصله 24 اینچ از هم فاصله دارند تا خطوط موازی موازی را در خود جای دهند. با داشتن بار کار ایمن ترکیبی (SWL) 1800 KN (183 تن) ، این Bitts برای کشتی های تجاری بزرگ از جمله حامل های فله ، کشتی های کانتینر و تانکرهای LNG که در بنادر اصلی در سراسر جهان فعالیت می کنند ، مهندسی می شوند.
دو پست عمودی دارای تقویت پایه انتگرال با توری ضخامت 1 اینچی هستند که آنها را به فلنج نصب مربع 30 اینچی متصل می کند. هر پست شامل بالایی (قطر 6 اینچی در اوج) با لبه های گرد برای جلوگیری از آسیب طناب است ، در حالی که سطوح پست برای کاهش اصطکاک به پایان 3.2 میکرومتر صیقل داده می شود. فاصله اجازه می دهد تا همزمان دو طناب به قطر 90 میلی متر با حداقل تداخل باشد.
تولید شده با استفاده از ریخته گری ماسه رزین برای تکثیر هندسه پیچیده ، BITTS با استحکام کششی بیش از 400 مگاپاسکال به خصوصیات مواد سازگار دست می یابند. ریخته گری یک قطعه جوش هایی را ایجاد می کند که نقاط خرابی بالقوه را ایجاد می کنند ، در حالی که عملیات حرارتی در 190 BHN سختی بهینه را برای مقاومت در برابر سایش تضمین می کند. آزمایش غیر مخرب عدم وجود نقص داخلی در مناطق بار بحرانی را تأیید می کند.
کل مونتاژ تحت یک سطح چند مرحله ای قرار می گیرد : انفجار ساینده به SA 3.0 ، کاربرد پرایمر اپوکسی سرشار از روی 150μm و پوشش با 80μm پلی اورتان درجه دریایی. این سیستم 2000+ ساعت مقاومت در برابر اسپری نمکی در هر ASTM B117 را فراهم می کند. کانال های زهکشی که به فلنج پایه ماشینکاری شده اند ، از جمع شدن آب در اطراف پیچ های نصب جلوگیری می کنند.
پست های دوگانه امکان تأمین امنیت مستقل و تنظیم چندین خط اتصال را فراهم می کنند ، کنترل دقیق تنش و کاهش خطر درگیری خط را فراهم می کند. این پیکربندی انعطاف پذیری عملیاتی را برای رسیدگی به سناریوهای مختلف اتصال از جمله بندر ، لنگر انداختن خارج از کشور و شرایط اضطراری فراهم می کند.
ریخته گری یک قطعه یک مسیر بار مداوم را از پست ها به فلنج نصب ایجاد می کند و جوش هایی را از بین می برد که می تواند تحت بارگذاری چرخه ای خستگی کند. این طرح 30 ٪ مقاومت در برابر خستگی بیشتر در مقایسه با BITT های ساختگی جوش داده شده ، عمر خدمات را در کاربردهای چرخه بالا فراهم می کند.
این بت ها برای کشتی های پاناماکس و پس از پاناماکس از 50،000 تا 200،000 DWT ، از جمله کشتی های کانتینر ، حامل های فله و تانکرهای روغنی بهینه شده اند. ظرفیت و ابعاد بار آنها با الزامات اتصال کشتی های بزرگ که در مسیرهای تجارت بین المللی فعالیت می کنند ، هماهنگ است.
نصب و راه اندازی نیاز به جوشکاری کامل به اعضای اصلی ساختاری کشتی ، به دنبال مشخصات جوش AWS D1.1 است. فلنج نصب باید با استفاده از صفحات تقویت کننده (حداقل ضخامت 1 اینچی) که به عرشه یا ساختار فله ای جوش داده می شود ، پشتیبانی شود تا بارها به طور مؤثر توزیع شود.
بازرسی های ماهانه باید خوردگی ، الگوهای سایش طناب و یکپارچگی جوش را بررسی کند. تعمیر و نگهداری سالانه شامل نقاشی لمس مناطق آسیب دیده با پوشش های دریایی سازگار و تأیید گشتاور سخت افزار نصب شده است. آزمایش بار در 125 ٪ SWL هر 5 سال یکبار توصیه می شود.
بازیگران استیل دوتایی
موئول نه | A | B | C | یه | فداکاری | F | Wt. (پوند) | شاخ |
| DF-2 | 40 ' | 27 ' | 14 ' | 7 ' | 11 ' | 16 ' | 375 | √ |
| DF-2A | 40 ' | 27 ' | 14 ' | 7 ' | 11 ' | 16 ' | 385 | X |
| DF-40 | 45 ' | 24 ' | 15 ' | 9 ' | 13 1/2 ' | 18 ' | 545 | √ |
| DF-40A | 45 ' | 24 ' | 15 ' | 9 ' | 13 1/2 ' | 18 ' | 560 | X |
بازیگران دوتایی مجهز به فولاد بازیگران به عنوان ستون فقرات سیستم های اتصال دهنده کشتی هستند و نقاط لنگر قوی را برای تأمین چندین خط اتصال در حین کار ، لنگر زدن و کار در خارج از کشور فراهم می کنند. از آنجا که کشتی های مدرن نیاز به افزایش ظرفیت اتصال برای کنترل بارهای بیشتر محموله ها و نیروهای محیطی قوی تر دارند ، این دوتایی های دوتایی با قابلیت های مدیریت خط انعطاف پذیر ، قدرت استثنایی را ارائه می دهند. ساخته شده از فولاد بازیگران درجه یک ASTM A27 در یک طراحی یک تکه ، آنها دارای پست های قطر 14 اینچی دوگانه ایستاده 42 اینچ قد ، فاصله 24 اینچ از هم فاصله دارند تا خطوط موازی موازی را در خود جای دهند. با داشتن بار کار ایمن ترکیبی (SWL) 1800 KN (183 تن) ، این Bitts برای کشتی های تجاری بزرگ از جمله حامل های فله ، کشتی های کانتینر و تانکرهای LNG که در بنادر اصلی در سراسر جهان فعالیت می کنند ، مهندسی می شوند.
دو پست عمودی دارای تقویت پایه انتگرال با توری ضخامت 1 اینچی هستند که آنها را به فلنج نصب مربع 30 اینچی متصل می کند. هر پست شامل بالایی (قطر 6 اینچی در اوج) با لبه های گرد برای جلوگیری از آسیب طناب است ، در حالی که سطوح پست برای کاهش اصطکاک به پایان 3.2 میکرومتر صیقل داده می شود. فاصله اجازه می دهد تا همزمان دو طناب به قطر 90 میلی متر با حداقل تداخل باشد.
تولید شده با استفاده از ریخته گری ماسه رزین برای تکثیر هندسه پیچیده ، BITTS با استحکام کششی بیش از 400 مگاپاسکال به خصوصیات مواد سازگار دست می یابند. ریخته گری یک قطعه جوش هایی را ایجاد می کند که نقاط خرابی بالقوه را ایجاد می کنند ، در حالی که عملیات حرارتی در 190 BHN سختی بهینه را برای مقاومت در برابر سایش تضمین می کند. آزمایش غیر مخرب عدم وجود نقص داخلی در مناطق بار بحرانی را تأیید می کند.
کل مونتاژ تحت یک سطح چند مرحله ای قرار می گیرد : انفجار ساینده به SA 3.0 ، کاربرد پرایمر اپوکسی سرشار از روی 150μm و پوشش با 80μm پلی اورتان درجه دریایی. این سیستم 2000+ ساعت مقاومت در برابر اسپری نمکی در هر ASTM B117 را فراهم می کند. کانال های زهکشی که به فلنج پایه ماشینکاری شده اند ، از جمع شدن آب در اطراف پیچ های نصب جلوگیری می کنند.
پست های دوگانه امکان تأمین امنیت مستقل و تنظیم چندین خط اتصال را فراهم می کنند ، کنترل دقیق تنش و کاهش خطر درگیری خط را فراهم می کند. این پیکربندی انعطاف پذیری عملیاتی را برای رسیدگی به سناریوهای مختلف اتصال از جمله بندر ، لنگر انداختن خارج از کشور و شرایط اضطراری فراهم می کند.
ریخته گری یک قطعه یک مسیر بار مداوم را از پست ها به فلنج نصب ایجاد می کند و جوش هایی را از بین می برد که می تواند تحت بارگذاری چرخه ای خستگی کند. این طرح 30 ٪ مقاومت در برابر خستگی بیشتر در مقایسه با BITT های ساختگی جوش داده شده ، عمر خدمات را در کاربردهای چرخه بالا فراهم می کند.
این بت ها برای کشتی های پاناماکس و پس از پاناماکس از 50،000 تا 200،000 DWT ، از جمله کشتی های کانتینر ، حامل های فله و تانکرهای روغنی بهینه شده اند. ظرفیت و ابعاد بار آنها با الزامات اتصال کشتی های بزرگ که در مسیرهای تجارت بین المللی فعالیت می کنند ، هماهنگ است.
نصب و راه اندازی نیاز به جوشکاری کامل به اعضای اصلی ساختاری کشتی ، به دنبال مشخصات جوش AWS D1.1 است. فلنج نصب باید با استفاده از صفحات تقویت کننده (حداقل ضخامت 1 اینچی) که به عرشه یا ساختار فله ای جوش داده می شود ، پشتیبانی شود تا بارها به طور مؤثر توزیع شود.
بازرسی های ماهانه باید خوردگی ، الگوهای سایش طناب و یکپارچگی جوش را بررسی کند. تعمیر و نگهداری سالانه شامل نقاشی لمس مناطق آسیب دیده با پوشش های دریایی سازگار و تأیید گشتاور سخت افزار نصب شده است. آزمایش بار در 125 ٪ SWL هر 5 سال یکبار توصیه می شود.
در DF-274-5 2 سگ بزرگ شده یک عرشه دریایی ممتاز است که توسط Hee (شرکت مهندسی و تجهیزات Changshu Haichuan ، Ltd.) ، Ltd.) ، تولید کننده برجسته مستقر در چین که متخصص تجهیزات دریایی و دریایی است ، مهندسی شده است. این دریچه به منظور رفع نیاز بحرانی به مقاومت قابل اعتماد به آب در محیط های دریایی سخت ، به عنوان یک مانع محافظ برای دهانه های عرشه ، جلوگیری از ورود آب ، تجمع گرد و غبار و خوردگی که می تواند به اجزای داخلی کشتی ها ، سیستم عامل های دریایی یا زیرساخت های بندری آسیب برساند ، طراحی شده است.